
| نصب | <۱۰۰ |
| از ۱ رأی | ۵ |
| دستهبندی | آموزش |
| حجم | ۱۹ مگابایت |
| آخرین بروزرسانی | ۱۶ شهریور ۱۴۰۴ |

| نصب | <۱۰۰ |
| از ۱ رأی | ۵ |
| دستهبندی | آموزش |
| حجم | ۱۹ مگابایت |
| آخرین بروزرسانی | ۱۶ شهریور ۱۴۰۴ |












آموزش برق صنعتی شامل آموزش ساده برق صنعتی همراه با آموزش تجهیزات برق صنعتی است. شما در این برنامه می توانید از صفر تا صد با برق صنعتی آشنا شوید و به صورت تصویری تجهیزات برق صنعتی و تابلو برق صنعتی را آموزش ببینید.
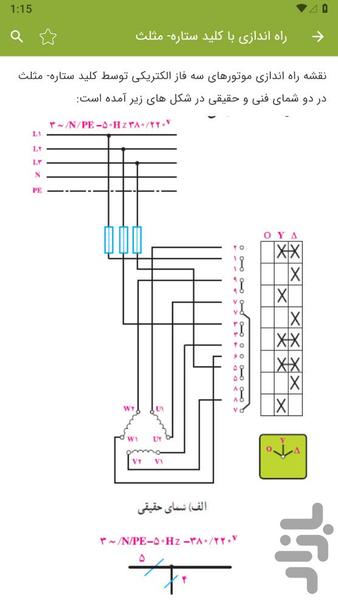
برق صنعتی از مهم ترین مباحث در مهندسی برق است. برق صنعتی شامل انواع مدارهای فرمان، نحوه راه اندازی موتورهای الکتریکی، کلیدهای دستی قدرت، کنتاکتور، مدار قدرت، انواع روش های راه اندازی موتورهای الکتریکی سه فاز، آموزش کابل های برق، نحوه نقشه خوانی برق می شود.
توصیه می کنیم همین الان برنامه آموزش برق صنعتی را دانلود نمایید و با دوستان خود به اشتراک بگذارید.
کلمات کلیدی: آموزش برق صنعتی، برق صنعتی، بدون اینترنت، آموزش برق صنعتی آفلاین، بدون نت، برق صنعتی بدون اینترنت، آفلاین، آموزش برق صنعتی بدون اینترنت، آموزش برق صنعتی